SCROLL >> Manage Uploads
BACK Your Portal iew Songs & Music videos
You have 0 Credits Remaining

VIEW INSTRUCTIONS !!



0 Credits Remaining

Share
158Views

Member Id 295


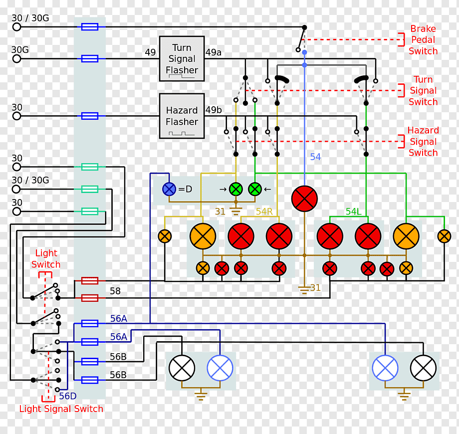
1990 and up Mercedes Benz S550 Complete Color Coded Wiring Diagrams -2014 2913 2012 2011 2010 2009 2008 2007 2006 2005 2004 2003 2002 2001 2000 1991 1992 1993 1994 1995 1996 1997 1998 1999 - Details

By Delroy Young
Youn Need 4900 Credits to access || View Other Listings
158 Views | 0 Comments |

Start Now
0 Comments

DESCRIPTION
The Wiring Diagram is color coded and is useful for all Mercedes Benz in general but was put together for the Mercedes Benz S550 and the W Series. You will also find this proportionately useful for any vehicle Mercedes Bens S Series.
The year is nit going to differ much when it comes to wiring - with respect to the same component or task's subject matter, so grab access and go in and find what you need.

It is 181 Pages




Related Searches

(1) 2015-2020 Mercedes Benz S550 Fuse Box Color Coded Wiring Diagrams

(2) 2015-2020 Mercedes Benz S550 Instrument Cluster Color Coded Wiring Diagrams

(3) 2015-2020 Mercedes Benz S550 Radio Color Coded Wiring Diagrams

(4) 2015-2020 Mercedes Benz S550 Headlights Color Coded Wiring Diagrams

(5) 2015-2020 Mercedes Benz S550 Lights Color Coded Wiring Diagrams

(6) 2015-2020 Mercedes Benz S550 Tail Lights Color Coded Wiring Diagrams

(7) 2015-2020 Mercedes Benz S550 Indicator Lights Color Coded Wiring Diagrams

(8) 2015-2020 Mercedes Benz S550 Front Wiper and Washer Color Coded Wiring Diagrams

(9) 2015-2020 Mercedes Benz S550 Ground Distribution Color Coded Wiring Diagrams

(10) 2015-2020 Mercedes Benz S550 Headliamp Washer Color Coded Wiring Diagrams

(11) 2015-2020 Mercedes Benz S550 H-L Bus Circuit Color Coded Wiring Diagrams

(12) 2015-2020 Mercedes Benz S550 Heated Seats Color Coded Wiring Diagrams

(13) 2015-2020 Mercedes Benz S550 Horns Color Coded Wiring Diagrams

(14) 2015-2020 Mercedes Benz S550 Interior Lights Color Coded Wiring Diagrams

>

(15) 2015-2020 Mercedes Benz S550 Complete Color Coded Wiring Diagrams

s

(16) 2015-2020 Mercedes Benz S550 ABS Color Coded Wiring Diagrams

(17) 2015-2020 Mercedes Benz S550 Air Condition Color Coded Wiring Diagrams

(18) 2015-2020 Mercedes Benz S550 AC Color Coded Wiring Diagrams

(29) 2015-2020 Mercedes Benz S550 Anti Theft Color Coded Wiring Diagrams

(20) 2015-2020 Mercedes Benz S550 Backup Lamps Color Coded Wiring Diagrams

(21) 2015-2020 Mercedes Benz S550 Body Computer Color Coded Wiring Diagrams

(22) 2015-2020 Mercedes Benz S550 Charging Circuit Color Coded Wiring Diagrams

(23) 2015-2020 Mercedes Benz S550 Coooling Fans Color Coded Wiring Diagrams

(24) 2015-2020 Mercedes Benz S550 Cruise Control Color Coded Wiring Diagrams

(25) 2015-2020 Mercedes Benz S550 Data Link Connector Color Coded Wiring Diagrams

(26) 2015-2020 Mercedes Benz S550 Defogger Color Coded Wiring Diagrams

(27) 2015-2020 Mercedes Benz S550 Door Locks Color Coded Wiring Diagrams

(28) 2015-2020 Mercedes Benz S550 Driver Seat memory Circuit Color Coded Wiring Diagrams

(29) 2015-2020 Mercedes Benz S550 Engine Control 1 Color Coded Wiring Diagrams

(30) 2015-2020 Mercedes Benz S550 Engine Control 2 Color Coded Wiring Diagrams

(31) 2015-2020 Mercedes Benz S550 Engine Control 3 Color Coded Wiring Diagrams

(32) 2015-2020 Mercedes Benz S550 Exterior Lights 1 Color Coded Wiring Diagrams

(33) 2015-2020 Mercedes Benz S550 Exterior Lights 2 Color Coded Wiring Diagrams

(34) 2015-2020 Mercedes Benz S550 Moon Roof Color Coded Wiring Diagrams

(35) 2015-2020 Mercedes Benz S550 ParkTronic 1 Color Coded Wiring Diagrams

(36) 2015-2020 Mercedes Benz S550 ParkTronic 2 Color Coded Wiring Diagrams

(37) 2015-2020 Mercedes Benz S550 Passenger Seat Memory Color Coded Wiring Diagrams

(38) 2015-2020 Mercedes Benz S550 Passive Restrain 1 Color Coded Wiring Diagrams

(39) 2015-2020 Mercedes Benz S550 Passive Restrain 2 Color Coded Wiring Diagrams

(40) 2015-2020 Mercedes Benz S550 Engine Control 2 Color Coded Wiring Diagrams

(41) 2015-2020 Mercedes Benz S550 Passive Restrain 3 Color Coded Wiring Diagrams

(42) 2015-2020 Mercedes Benz S550 Exterior Lights 1 Color Coded Wiring Diagrams

(43) 2015-2020 Mercedes Benz S550 Power Distribution Color Coded Wiring Diagrams

(44) 2015-2020 Mercedes Benz S550 Power Windows Color Coded Wiring Diagrams

(45) 2015-2020 Mercedes Benz S550 Rear Head Restrain Color Coded Wiring Diagrams

(46) 2015-2020 Mercedes Benz S550 Rear Sunshade Color Coded Wiring Diagrams

(47) 2015-2020 Mercedes Benz S550 Rear Wiper Color Coded Wiring Diagrams

(48) 2015-2020 Mercedes Benz S550 Seat Ventilation Color Coded Wiring Diagrams

(49) 2015-2020 Mercedes Benz S550 Shift Interlock Color Coded Wiring Diagrams

(50) 2015-2020 Mercedes Benz S550 Sound System (with Amp) Color Coded Wiring Diagrams

(51) 2015-2020 Mercedes Benz S550 Sound System Color Coded Wiring Diagrams

(52) 2015-2020 Mercedes Benz S550 SRS1 Color Coded Wiring Diagrams

(53) 2015-2020 Mercedes Benz S550 SRS2 Color Coded Wiring Diagrams

(54) 2015-2020 Mercedes Benz S550 Starting Circuit Color Coded Wiring Diagrams

(55) 2015-2020 Mercedes Benz S550 Transmission Circuit Color Coded Wiring Diagrams

(56) 2015-2020 Mercedes Benz S550 Rear Trunk Circuit Color Coded Wiring Diagrams

(57) 2015-2020 Mercedes Benz S550 Trunk Release and Puldown Color Coded Wiring Diagrams

(58) 2015-2020 Mercedes Benz S550 Seat Fuel Color Coded Wiring Diagrams


Related Searches

(1) 2015-2020 Mercedes Benz W126 Fuse Box Color Coded Wiring Diagrams

(2) 2015-2020 Mercedes Benz W126 Instrument Cluster Color Coded Wiring Diagrams

(3) 2015-2020 Mercedes Benz W126 Radio Color Coded Wiring Diagrams

(4) 2015-2020 Mercedes Benz W126 Headlights Color Coded Wiring Diagrams

(5) 2015-2020 Mercedes Benz W126 Lights Color Coded Wiring Diagrams

(6) 2015-2020 Mercedes Benz W126 Tail Lights Color Coded Wiring Diagrams

(7) 2015-2020 Mercedes Benz W126 Indicator Lights Color Coded Wiring Diagrams

(8) 2015-2020 Mercedes Benz W126 Front Wiper and Washer Color Coded Wiring Diagrams

(9) 2015-2020 Mercedes Benz W126 Ground Distribution Color Coded Wiring Diagrams

(10) 2015-2020 Mercedes Benz W126 Headliamp Washer Color Coded Wiring Diagrams

(11) 2015-2020 Mercedes Benz W126 H-L Bus Circuit Color Coded Wiring Diagrams

(12) 2015-2020 Mercedes Benz W126 Heated Seats Color Coded Wiring Diagrams

(13) 2015-2020 Mercedes Benz W126 Horns Color Coded Wiring Diagrams

(14) 2015-2020 Mercedes Benz W126 Interior Lights Color Coded Wiring Diagrams

>

(15) 2015-2020 Mercedes Benz W126 Complete Color Coded Wiring Diagrams

s

(16) 2015-2020 Mercedes Benz W126 ABS Color Coded Wiring Diagrams

(17) 2015-2020 Mercedes Benz W126 Air Condition Color Coded Wiring Diagrams

(18) 2015-2020 Mercedes Benz W126 AC Color Coded Wiring Diagrams

(29) 2015-2020 Mercedes Benz W126 Anti Theft Color Coded Wiring Diagrams

(20) 2015-2020 Mercedes Benz W126 Backup Lamps Color Coded Wiring Diagrams

(21) 2015-2020 Mercedes Benz W126 Body Computer Color Coded Wiring Diagrams

(22) 2015-2020 Mercedes Benz W126 Charging Circuit Color Coded Wiring Diagrams

(23) 2015-2020 Mercedes Benz W126 Coooling Fans Color Coded Wiring Diagrams

(24) 2015-2020 Mercedes Benz W126 Cruise Control Color Coded Wiring Diagrams

(25) 2015-2020 Mercedes Benz W126 Data Link Connector Color Coded Wiring Diagrams

(26) 2015-2020 Mercedes Benz W126 Defogger Color Coded Wiring Diagrams

(27) 2015-2020 Mercedes Benz W126 Door Locks Color Coded Wiring Diagrams

(28) 2015-2020 Mercedes Benz W126 Driver Seat memory Circuit Color Coded Wiring Diagrams

(29) 2015-2020 Mercedes Benz W126 Engine Control 1 Color Coded Wiring Diagrams

(30) 2015-2020 Mercedes Benz W126 Engine Control 2 Color Coded Wiring Diagrams

(31) 2015-2020 Mercedes Benz W126 Engine Control 3 Color Coded Wiring Diagrams

(32) 2015-2020 Mercedes Benz W126 Exterior Lights 1 Color Coded Wiring Diagrams

(33) 2015-2020 Mercedes Benz W126 Exterior Lights 2 Color Coded Wiring Diagrams

(34) 2015-2020 Mercedes Benz W126 Moon Roof Color Coded Wiring Diagrams

(35) 2015-2020 Mercedes Benz W126 ParkTronic 1 Color Coded Wiring Diagrams

(36) 2015-2020 Mercedes Benz W126 ParkTronic 2 Color Coded Wiring Diagrams

(37) 2015-2020 Mercedes Benz W126 Passenger Seat Memory Color Coded Wiring Diagrams

(38) 2015-2020 Mercedes Benz W126 Passive Restrain 1 Color Coded Wiring Diagrams

(39) 2015-2020 Mercedes Benz W126 Passive Restrain 2 Color Coded Wiring Diagrams

(40) 2015-2020 Mercedes Benz W126 Engine Control 2 Color Coded Wiring Diagrams

(41) 2015-2020 Mercedes Benz W126 Passive Restrain 3 Color Coded Wiring Diagrams

(42) 2015-2020 Mercedes Benz W126 Exterior Lights 1 Color Coded Wiring Diagrams

(43) 2015-2020 Mercedes Benz W126 Power Distribution Color Coded Wiring Diagrams

(44) 2015-2020 Mercedes Benz W126 Power Windows Color Coded Wiring Diagrams

(45) 2015-2020 Mercedes Benz W126 Rear Head Restrain Color Coded Wiring Diagrams

(46) 2015-2020 Mercedes Benz W126 Rear Sunshade Color Coded Wiring Diagrams

(47) 2015-2020 Mercedes Benz W126 Rear Wiper Color Coded Wiring Diagrams

(48) 2015-2020 Mercedes Benz W126 Seat Ventilation Color Coded Wiring Diagrams

(49) 2015-2020 Mercedes Benz W126 Shift Interlock Color Coded Wiring Diagrams

(50) 2015-2020 Mercedes href="https://www.thelocalteller.com/?vd=1938&tac=books" data-ajax="false"> 2015-2020 Mercedes Benz W126 Sound System Color Coded Wiring Diagrams

(52) 2015-2020 Mercedes Benz W126 SRS1 Color Coded Wiring Diagrams

(53) 2015-2020 Mercedes Benz W126 SRS2 Color Coded Wiring Diagrams

(54) 2015-2020 Mercedes Benz W126 Starting Circuit Color Coded Wiring Diagrams

(55) 2015-2020 Mercedes Benz W126 Transmission Circuit Color Coded Wiring Diagrams

(56) 2015-2020 Mercedes Benz W126 Rear Trunk Circuit Color Coded Wiring Diagrams

(57) 2015-2020 Mercedes Benz W126 Trunk Release and Puldown Color Coded Wiring Diagrams

(58) 2015-2020 Mercedes Benz W126 Seat Fuel Color Coded Wiring Diagrams

Related Searches

(1) 2015-2020 Mercedes Benz W123 Fuse Box Color Coded Wiring Diagrams

(2) 2015-2020 Mercedes Benz W123 Instrument Cluster Color Coded Wiring Diagrams

(3) 2015-2020 Mercedes Benz W123 Radio Color Coded Wiring Diagrams

(4) 2015-2020 Mercedes Benz W123 Headlights Color Coded Wiring Diagrams

(5) 2015-2020 Mercedes Benz W123 Lights Color Coded Wiring Diagrams

(6) 2015-2020 Mercedes Benz W123 Tail Lights Color Coded Wiring Diagrams

(7) 2015-2020 Mercedes Benz W123 Indicator Lights Color Coded Wiring Diagrams

(8) 2015-2020 Mercedes Benz W123 Front Wiper and Washer Color Coded Wiring Diagrams

(9) 2015-2020 Mercedes Benz W123 Ground Distribution Color Coded Wiring Diagrams

(10) 2015-2020 Mercedes Benz W123 Headliamp Washer Color Coded Wiring Diagrams

(11) 2015-2020 Mercedes Benz W123 H-L Bus Circuit Color Coded Wiring Diagrams

(12) 2015-2020 Mercedes Benz W123 Heated Seats Color Coded Wiring Diagrams

(13) 2015-2020 Mercedes Benz W123 Horns Color Coded Wiring Diagrams

(14) 2015-2020 Mercedes Benz W123 Interior Lights Color Coded Wiring Diagrams

>

(15) 2015-2020 Mercedes Benz W123 Complete Color Coded Wiring Diagrams

s

(16) 2015-2020 Mercedes Benz W123 ABS Color Coded Wiring Diagrams

(17) 2015-2020 Mercedes Benz W123 Air Condition Color Coded Wiring Diagrams

(18) 2015-2020 Mercedes Benz W123 AC Color Coded Wiring Diagrams

(29) 2015-2020 Mercedes Benz W123 Anti Theft Color Coded Wiring Diagrams

(20) 2015-2020 Mercedes Benz W123 Backup Lamps Color Coded Wiring Diagrams

(21) 2015-2020 Mercedes Benz W123 Body Computer Color Coded Wiring Diagrams

(22) 2015-2020 Mercedes Benz W123 Charging Circuit Color Coded Wiring Diagrams

(23) 2015-2020 Mercedes Benz W123 Coooling Fans Color Coded Wiring Diagrams

(24) 2015-2020 Mercedes Benz W123 Cruise Control Color Coded Wiring Diagrams

(25) 2015-2020 Mercedes Benz W123 Data Link Connector Color Coded Wiring Diagrams

(26) 2015-2020 Mercedes Benz W123 Defogger Color Coded Wiring Diagrams

(27) 2015-2020 Mercedes Benz W123 Door Locks Color Coded Wiring Diagrams

(28) 2015-2020 Mercedes Benz W123 Driver Seat memory Circuit Color Coded Wiring Diagrams

(29) 2015-2020 Mercedes Benz W123 Engine Control 1 Color Coded Wiring Diagrams

(30) 2015-2020 Mercedes Benz W123 Engine Control 2 Color Coded Wiring Diagrams

(31) 2015-2020 Mercedes Benz W123 Engine Control 3 Color Coded Wiring Diagrams

(32) 2015-2020 Mercedes Benz W123 Exterior Lights 1 Color Coded Wiring Diagrams

(33) 2015-2020 Mercedes Benz W123 Exterior Lights 2 Color Coded Wiring Diagrams

(34) 2015-2020 Mercedes Benz W123 Moon Roof Color Coded Wiring Diagrams

(35) 2015-2020 Mercedes Benz W123 ParkTronic 1 Color Coded Wiring Diagrams

(36) 2015-2020 Mercedes Benz W123 ParkTronic 2 Color Coded Wiring Diagrams

(37) 2015-2020 Mercedes Benz W123 Passenger Seat Memory Color Coded Wiring Diagrams

(38) 2015-2020 Mercedes Benz W123 Passive Restrain 1 Color Coded Wiring Diagrams

(39) 2015-2020 Mercedes Benz W123 Passive Restrain 2 Color Coded Wiring Diagrams

(40) 2015-2020 Mercedes Benz W123 Engine Control 2 Color Coded Wiring Diagrams

(41) 2015-2020 Mercedes Benz W123 Passive Restrain 3 Color Coded Wiring Diagrams

(42) 2015-2020 Mercedes Benz W123 Exterior Lights 1 Color Coded Wiring Diagrams

(43) 2015-2020 Mercedes Benz W123 Power Distribution Color Coded Wiring Diagrams

(44) 2015-2020 Mercedes Benz W123 Power Windows Color Coded Wiring Diagrams

(45) 2015-2020 Mercedes Benz W123 Rear Head Restrain Color Coded Wiring Diagrams

(46) 2015-2020 Mercedes Benz W123 Rear Sunshade Color Coded Wiring Diagrams

(47) 2015-2020 Mercedes Benz W123 Rear Wiper Color Coded Wiring Diagrams

(48) 2015-2020 Mercedes Benz W123 Seat Ventilation Color Coded Wiring Diagrams

(49) 2015-2020 Mercedes Benz W123 Shift Interlock Color Coded Wiring Diagrams

(50) 2015-2020 Mercedes href="https://www.thelocalteller.com/?vd=1938&tac=books" data-ajax="false"> 2015-2020 Mercedes Benz W123 Sound System Color Coded Wiring Diagrams

(52) 2015-2020 Mercedes Benz W123 SRS1 Color Coded Wiring Diagrams

(53) 2015-2020 Mercedes Benz W123 SRS2 Color Coded Wiring Diagrams

(54) 2015-2020 Mercedes Benz W123 Starting Circuit Color Coded Wiring Diagrams

(55) 2015-2020 Mercedes Benz W123 Transmission Circuit Color Coded Wiring Diagrams

(56) 2015-2020 Mercedes Benz W123 Rear Trunk Circuit Color Coded Wiring Diagrams

(57) 2015-2020 Mercedes Benz W123 Trunk Release and Puldown Color Coded Wiring Diagrams

(58) 2015-2020 Mercedes Benz W123 Seat Fuel Color Coded Wiring Diagrams

Related Searches

(1) 2015-2020 Mercedes Benz W124 Fuse Box Color Coded Wiring Diagrams

(2) 2015-2020 Mercedes Benz W124 Instrument Cluster Color Coded Wiring Diagrams

(3) 2015-2020 Mercedes Benz W124 Radio Color Coded Wiring Diagrams

(4) 2015-2020 Mercedes Benz W124 Headlights Color Coded Wiring Diagrams

(5) 2015-2020 Mercedes Benz W124 Lights Color Coded Wiring Diagrams

(6) 2015-2020 Mercedes Benz W124 Tail Lights Color Coded Wiring Diagrams

(7) 2015-2020 Mercedes Benz W124 Indicator Lights Color Coded Wiring Diagrams

(8) 2015-2020 Mercedes Benz W124 Front Wiper and Washer Color Coded Wiring Diagrams

(9) 2015-2020 Mercedes Benz W124 Ground Distribution Color Coded Wiring Diagrams

(10) 2015-2020 Mercedes Benz W124 Headliamp Washer Color Coded Wiring Diagrams

(11) 2015-2020 Mercedes Benz W124 H-L Bus Circuit Color Coded Wiring Diagrams

(12) 2015-2020 Mercedes Benz W124 Heated Seats Color Coded Wiring Diagrams

(13) 2015-2020 Mercedes Benz W124 Horns Color Coded Wiring Diagrams

(14) 2015-2020 Mercedes Benz W124 Interior Lights Color Coded Wiring Diagrams

>

(15) 2015-2020 Mercedes Benz W124 Complete Color Coded Wiring Diagrams

s

(16) 2015-2020 Mercedes Benz W124 ABS Color Coded Wiring Diagrams

(17) 2015-2020 Mercedes Benz W124 Air Condition Color Coded Wiring Diagrams

(18) 2015-2020 Mercedes Benz W124 AC Color Coded Wiring Diagrams

(29) 2015-2020 Mercedes Benz W124 Anti Theft Color Coded Wiring Diagrams

(20) 2015-2020 Mercedes Benz W124 Backup Lamps Color Coded Wiring Diagrams

(21) 2015-2020 Mercedes Benz W124 Body Computer Color Coded Wiring Diagrams

(22) 2015-2020 Mercedes Benz W124 Charging Circuit Color Coded Wiring Diagrams

(23) 2015-2020 Mercedes Benz W124 Coooling Fans Color Coded Wiring Diagrams

(24) 2015-2020 Mercedes Benz W124 Cruise Control Color Coded Wiring Diagrams

(25) 2015-2020 Mercedes Benz W124 Data Link Connector Color Coded Wiring Diagrams

(26) 2015-2020 Mercedes Benz W124 Defogger Color Coded Wiring Diagrams

(27) 2015-2020 Mercedes Benz W124 Door Locks Color Coded Wiring Diagrams

(28) 2015-2020 Mercedes Benz W124 Driver Seat memory Circuit Color Coded Wiring Diagrams

(29) 2015-2020 Mercedes Benz W124 Engine Control 1 Color Coded Wiring Diagrams

(30) 2015-2020 Mercedes Benz W124 Engine Control 2 Color Coded Wiring Diagrams

(31) 2015-2020 Mercedes Benz W124 Engine Control 3 Color Coded Wiring Diagrams

(32) 2015-2020 Mercedes Benz W124 Exterior Lights 1 Color Coded Wiring Diagrams

(33) 2015-2020 Mercedes Benz W124 Exterior Lights 2 Color Coded Wiring Diagrams

(34) 2015-2020 Mercedes Benz W124 Moon Roof Color Coded Wiring Diagrams

(35) 2015-2020 Mercedes Benz W124 ParkTronic 1 Color Coded Wiring Diagrams

(36) 2015-2020 Mercedes Benz W124 ParkTronic 2 Color Coded Wiring Diagrams

(37) 2015-2020 Mercedes Benz W124 Passenger Seat Memory Color Coded Wiring Diagrams

(38) 2015-2020 Mercedes Benz W124 Passive Restrain 1 Color Coded Wiring Diagrams

(39) 2015-2020 Mercedes Benz W124 Passive Restrain 2 Color Coded Wiring Diagrams

(40) 2015-2020 Mercedes Benz W124 Engine Control 2 Color Coded Wiring Diagrams

(41) 2015-2020 Mercedes Benz W124 Passive Restrain 3 Color Coded Wiring Diagrams

(42) 2015-2020 Mercedes Benz W124 Exterior Lights 1 Color Coded Wiring Diagrams

(43) 2015-2020 Mercedes Benz W124 Power Distribution Color Coded Wiring Diagrams

(44) 2015-2020 Mercedes Benz W124 Power Windows Color Coded Wiring Diagrams

(45) 2015-2020 Mercedes Benz W124 Rear Head Restrain Color Coded Wiring Diagrams

(46) 2015-2020 Mercedes Benz W124 Rear Sunshade Color Coded Wiring Diagrams

(47) 2015-2020 Mercedes Benz W124 Rear Wiper Color Coded Wiring Diagrams

(48) 2015-2020 Mercedes Benz W124 Seat Ventilation Color Coded Wiring Diagrams

(49) 2015-2020 Mercedes Benz W124 Shift Interlock Color Coded Wiring Diagrams

(50) 2015-2020 Mercedes href="https://www.thelocalteller.com/?vd=1938&tac=books" data-ajax="false"> 2015-2020 Mercedes Benz W124 Sound System Color Coded Wiring Diagrams

(52) 2015-2020 Mercedes Benz W124 SRS1 Color Coded Wiring Diagrams

(53) 2015-2020 Mercedes Benz W124 SRS2 Color Coded Wiring Diagrams

(54) 2015-2020 Mercedes Benz W124 Starting Circuit Color Coded Wiring Diagrams

(55) 2015-2020 Mercedes Benz W124 Transmission Circuit Color Coded Wiring Diagrams

(56) 2015-2020 Mercedes Benz W124 Rear Trunk Circuit Color Coded Wiring Diagrams

(57) 2015-2020 Mercedes Benz W124 Trunk Release and Puldown Color Coded Wiring Diagrams

(58) 2015-2020 Mercedes Benz W124 Seat Fuel Color Coded Wiring Diagrams